Распечатать

Насос с мягким ротором Ампика НСУ-2,5/12-0,55-АМ (крыльчатка, уплотнение EPDM)

В наличии
Производитель
Страна

Россия

Код товара

23197

Подача

2,3 м3/час (max)

Напор

12 м (max)

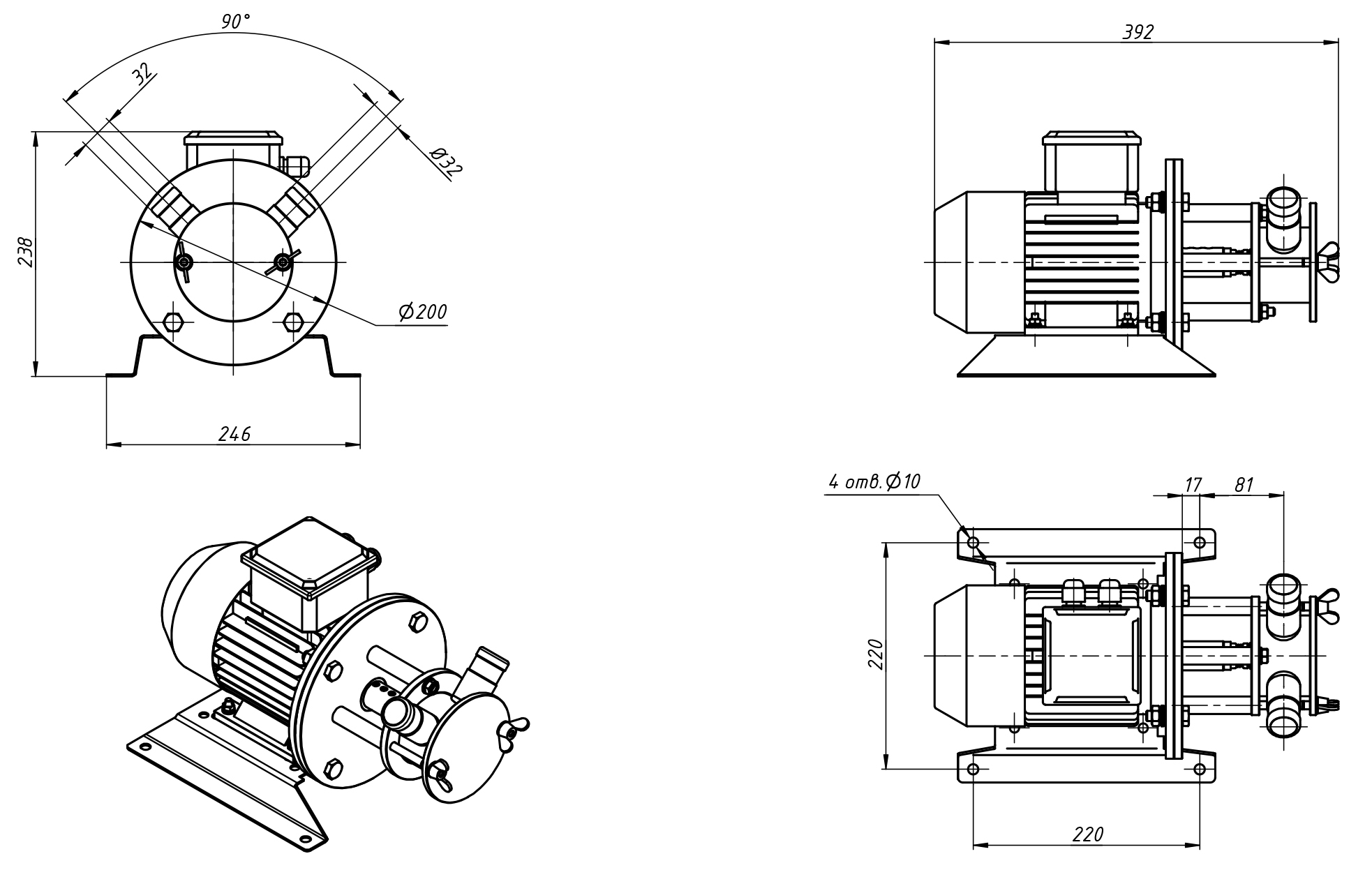
Размеры
400x230x230
Масса
12 кг
Вход
32
Выход
32
Мощность
0.55x1000 кВт x об/мин

Цена с НДС

53800

Заказать


НАЗНАЧЕНИЕ:
Насос импеллерный марки НСУ-АМ предназначен для перекачивания жидких и средневязких веществ, неагрессивных к материалам насоса, а также веществ, содержащих твердые включения с размером частиц до 3 мм. Например: молоко, сметана, майонез, соус, яблочное пюре, масло, дизельное топливо, бензин, нефть, и т.п.
Основным преимуществом данной марки насосов заключается в том, что при транспортировке продукта целостность структуры не нарушается. Перекачиваемый продукт всасывается без предварительной заливки в камеру насоса. НСУ-АМ надёжен и удобен в обслуживании, его легко разобрать, промыть и собрать обратно.
Высота самовсасывания НСУ-АМ - до 2-5 метров, в зависимости от условий и оборотов ротора.
Температура перекачиваемой жидкости - до +90С.
Уплотнение вала - одинарное торцевое, материалы зависят от конкретного исполнения.
Стандартное исполнение - со штуцерами под шланг внутренним диаметром 32 мм, возможно изготовление с пищевыми гайками.

Возможна установка различных импеллеров:
- из маслобензостойкой (МБС) резины,
- из пищевой резины,
- из щелочестойкой резины.

МАРКИРОВКА:

НСУ-2,5/12-0,55-АМ
- НСУ - насос самовсасывающий универсальный (крыльчатка 74х51 мм),
- 2,5 - производительность в кубометрах в час (номинальная, по воде),
- 12 - напор в метрах водяного столба (номинальный, по воде),
- 0,55 - мощность электродвигателя, кВт,
- АМ - производство Ампика®,

ПРЕИМУЩЕСТВА:
- вал насоса цельный, без наконечников и удлинителей,
- насосная часть разбирается путем откручивания просто руками двух гаек-барашков на 5 частей (2 фланца, импеллер, торцевое уплотнение и корпус насоса), что позволяет быстро разбирать насос для промывки,
- проточная часть изготовлена из нержавеющей стали 12Х18Н10Т,
- импеллер (крыльчатка) имеет металлическую втулку со шлицевым соединением, что увеличивает его ресурс (в отличии от импеллеров без втулки), а также позволяет его снимать без использования специального инструмента,
- на фланце, который крепится к э/д, установлено дополнительное манжетное уплотнение, что исключает попадание продукта в электродвигатель при выходе из строя основного торцевого уплотнения вала,
- российское производство (Насосы Ампика), что гарантирует поставки любых запчастей и сервисное обслуживание в Москве,
- минимальные сроки изготовления и поставки, складское наличие,
- возможность изготовления по ТУ заказчика.

В стандартном исполнении насосы НСУ поставляются со штуцерами под шланг Ду32 мм, расположенными по схеме "V".

Возможно изготовления с молочными гайками и с расположением патрубков по схеме "L".

На фото изображены насосы НСУ в обычном и пищевом исполнении, а также схемы расположения патрубков.

Так же вы можете скачать/просмотреть 3D модель перейдя по ссылкам ниже (ПКМ - "правая кнопка мыши"):

1. Модель НСУ-3/16-0,75-АМ исполнение V - Скачать (формат step, ПКМ->сохранить)
2. Модель НСУ-3/16-0,75-АМ исполнение L - Скачать (формат step, ПКМ->сохранить)

В таблице характеристик насоса указаны его вес и размеры в упаковочной коробке. Параметры голого насоса: 360х170х190, вес 11,5 кг.