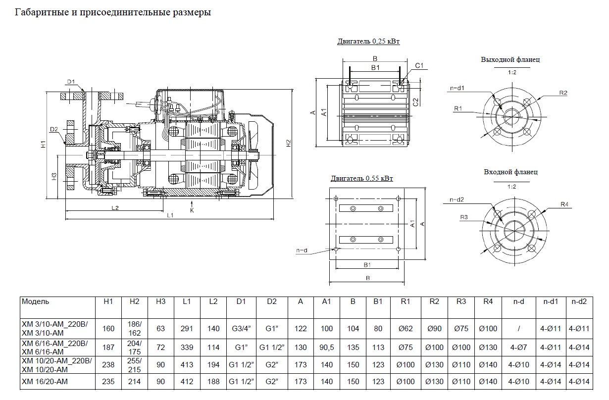
Распечатать

Химический насос Ампика ХМ-10/20-АМ

В наличии
Производитель
Страна

Китай

Код товара

34108

Подача

10 м3/час

Напор

20 м.в.ст.

Размеры
457х212х317
Масса
23 кг
Вход
2″
Выход
1 1/2 ″
Мощность
1,5х3000 кВт x об/мин

Цена с НДС

83000

Заказать
Назначение:
Центробежные химические насосы серии ХМ предназначены для перекачивания химически активных жидкостей, с плотностью до 1300 кг/м³ с температурой -40 до +103 °С.
Могут использоваться в химической, нефтехимической, косметической, пищевой промышленности.
Проточная часть изготовлена из высококачественной нержавеющей стали AISI 316 (российский аналог - сталь 08Х17Н13М2). Рабочее колесо - открытого типа.
Уплотнение вала - торцевое, из фторопласта.
Прокладка корпуса фторопластовая.

Расшифровка обозначения ХМ(Е)-6/16-АМ:
«ХМ» - химический моноблочный,
«Е» - взрывозащищенный электродвигатель,
«6» - номинальная подача в рабочей точке, м³/час,
«16» - номинальный напор, м,
«АМ» - торговая марка «Ампика».

Насос имеет резьбовое присоединение (наружная дюймовая резьба, на которую накручены фланцы).

Параметры в таблице - номинальные, то есть указана средняя (рабочая) точка графика производительности. Это режим работы, оптимальный для конкретного насоса.

!!!Насосы не имеют сертификат взрывозащиты!!!