|
|
![]()
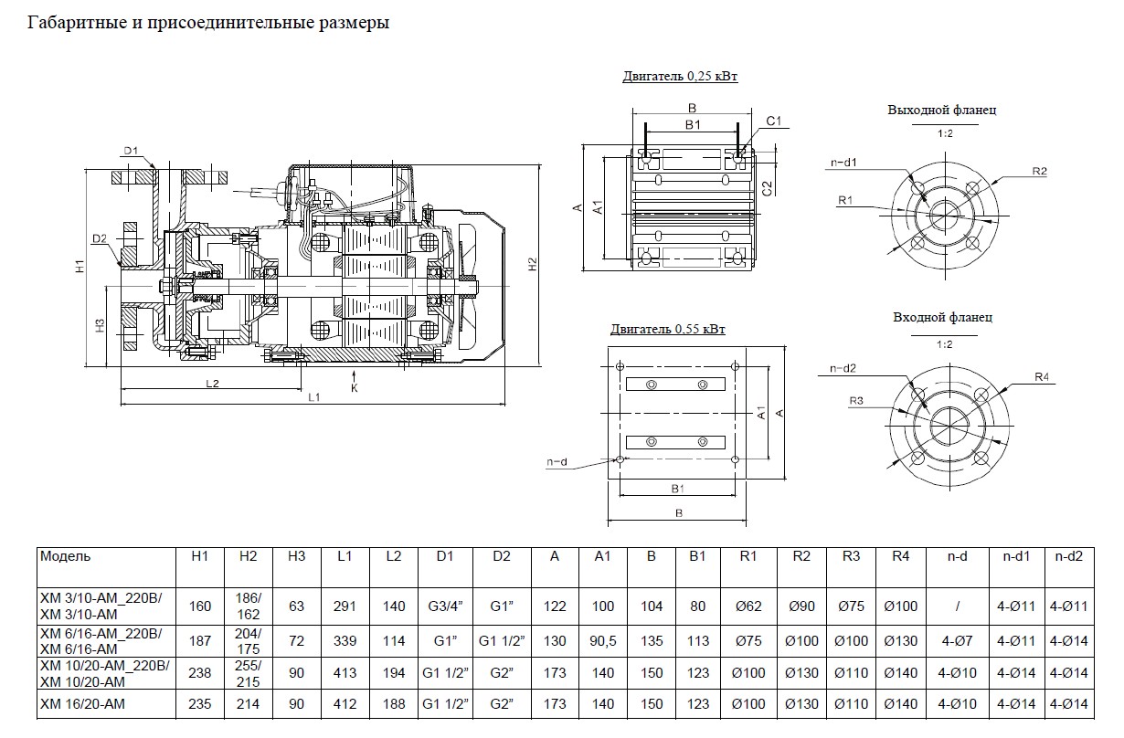
Химический насос Ампика ХМ-3/10-АМ_220ВЦентробежные химические насосы серии ХМ предназначены для перекачивания химически активных жидкостей, с плотностью до 1300 кг/м³ с температурой -40 до +103 °С. Могут использоваться в химической, нефтехимической, косметической, пищевой промышленности. Проточная часть изготовлена из высококачественной нержавеющей стали AISI 316 (российский аналог - сталь 08Х17Н13М2). Рабочее колесо - открытого типа. Уплотнение вала - торцевое, из фторопласта. Прокладка корпуса фторопластовая. Расшифровка обозначения ХМ(Е)-6/16-АМ: «ХМ» - химический моноблочный, «Е» - взрывозащищенный электродвигатель, «6» - номинальная подача в рабочей точке, м³/час, «16» - номинальный напор, м, «АМ» - торговая марка «Ампика». Насос имеет резьбовое присоединение (наружная дюймовая резьба, на которую накручены фланцы). Параметры в таблице - номинальные, то есть указана средняя (рабочая) точка графика производительности. Это режим работы, оптимальный для конкретного насоса. !!!Насосы не имеют сертификат взрывозащиты!!! Другие модели этого типа
ХМ-10/20-АМ 83000 ₽
ХМ-10/20-АМ_220В 83000 ₽
ХМ-12/25-АМ c фланцами 96300 ₽
ХМ-16/20-АМ 98800 ₽
ХМ-3/10-АМ 38600 ₽
ХМ-3/8-АМ с фланцами 36600 ₽
ХМ-6/14-АМ без фланцев 54000 ₽
ХМ-6/14-АМ с фланцами 56900 ₽
ХМ-6/16-АМ 54700 ₽
ХМ-6/16-АМ_220В 54700 ₽
ХМE-10/20-АМ 105400 ₽
ХМE-16/20-АМ 138300 ₽
ХМE-6/16-АМ 75300 ₽
ХМЕ-6/14-АМ с фланцами 72300 ₽ |