Распечатать

Химический самовсасывающий насос Ампика ХМСГ 50/30-АМ (ВЗИ)

Уточняйте
наличие
Производитель
Страна

Россия

Код товара

33919

Подача

50 м3/час

Напор

30 м.в.ст.

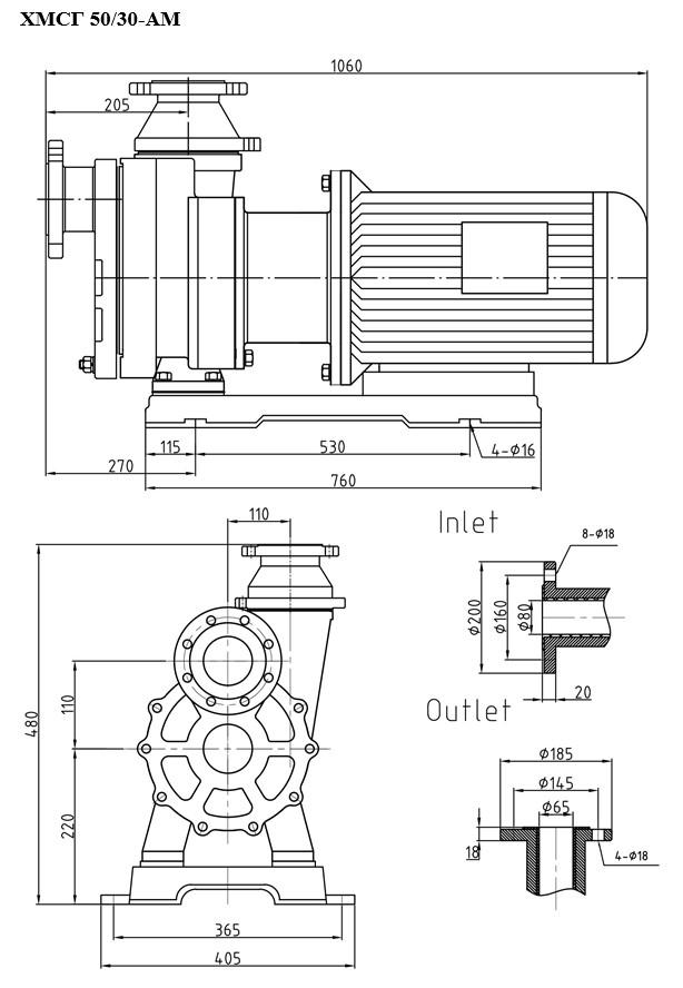
Размеры
1100х540х430
Масса
282 кг
Вход
80
Выход
65
Мощность
15х3000 кВт x об/мин

Цена с НДС

492200

Заказать
Промышленные химические насосы серии ХМСГ-АМ по умолчанию идут с электродвигателями общепромышленного исполнения.
Но на производствах зачастую требуется использование только взрывозащищённых электродвигателей.
Фирма Ампика на своей производственной базе за неделю меняет один тип двигателя на другой.


Дополнение к описанию: Рабочие параметры насоса не изменились по сравнению с исходной моделью (см. вкладку Аналоги).